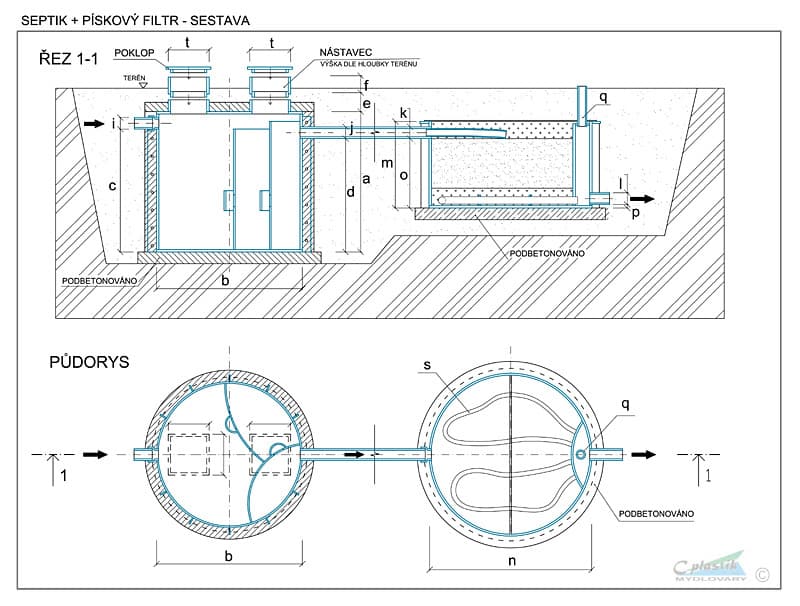
Septik + zemní filtr
Tříkomorový septik v kombinaci se zemním filtrem:
Používá se k čištění odpadních vod. Komplet je navržen a vyroben dle ČSN EN 12566-1 a ČSN 75 6402 k likvidaci odpadních vod z rodinných domů, chat, penzionů apod.
Výhody:
- jednoduchá instalace
- nulové provozní náklady
- neomezená životnost
- bez přívodu el. energie
- tradiční a osvědčený způsob čištění
- nenarušuje vzhled zahrady
Komplet je vhodný zejména pro čištění odpadních vod z objektů, které jsou nepravidelně využívány a kde dochází k nepravidelnému nátoku odpadních látek do zařízení.
KOMPLET PRO 6-8 OSOB

KOMPLET PRO 9-12 OSOB

INSTALACE
Ke každému komponentu dodáváme srozumitelný montážní návod pro montáž svépomocí. Pro montáž septiku typu standart ( v základní sestavě ) nabízíme k zapůjčení plastové bednění, pomocí kterého si při betonáži septiku zajistíte minimální spotřebu betonu. Alternativně lze do kombinace volit septik samonosný. Instalace zemního filtru se provádí bez obetonování.
Pokud máte zájem o kompletní dodávku na klíč, klikněte sem.
| Typ / velikost | 1-3 EO | 1-5 EO | 6-8 EO | 9-12 EO | 13-18 EO | 19-25 EO |
| tříkomorový septik | ⌀ 1500 mm | ⌀ 1750 mm | ⌀ 2000 mm | ⌀ 2500 mm | ⌀ 3000 mm | ⌀ 3000 mm |
| v. 1500 mm | Výška 1500 mm | Výška 1500 mm | Výška 1500 mm | výška 1500 mm | výška 2000 mm | |
| zemní filtr | ⌀ 2000 mm | ⌀ 2500 mm | Půdorys 3000*2000 mm | Půdorys 4000*3000 mm | půdorys 6000*3000 mm | půdorys 9000*3000 mm |
| v. 1000 mm | v. 1000 mm | Výška 1000 mm | Výška 1000 mm | Výška 1400 mm | Výška 1400 mm | |
| cena | 31 356,- + DPH | 40 662,- + DPH | 50 359,- + DPH | 72 990,- + DPH | 90 480,- + DPH | 105 540,- + DPH |
| Příslušenství kompletu: | 2x kontrolní revizní šachta septiku ⌀600 mm, výška 300 mm s možností nastavení výšky, kontrolní revizní šachta filtru, rozvodné a sběrné drenážní potrubí filtru, krycí geotextilie filtru, | |||||
Možnost dodávky včetně montáže na klíč:

- zabudování do vzdálenosti cca 60ti km od dodavatele
- dodávka a doprava betonu + armatur do betonu
- pomocné výkopové a zemní práce
- práce traktorbagrem
- doprava materiálu a osob
- napojení kompletu na kanalizační síť ( je-li potrubí přivedeno max. 1m od uložení kompletu. )
CENA: základní cena podle velikosti kompletu.
Podrobný ceník montáže „na klíč“ včetně možného příslušenství zašleme na vyžádání.
V případě zájmu o dodávku „na klíč“ lze objednat výjezd stavbyvedoucího na místo realizace.
Další příslušenství a služby k dokoupení
- V rozvozový den pro odběratele – fyzické osoby – doprava kompletu v Jižních Čechách ZDARMA
- Doprava v ostatních případech za 20,- Kč / km + DPH
- průměr 600 mm
- volitelná výška v decimetrech dle výšky terénu nad nádrží
Cena: 220,- Kč / 1 dm + DPH
- naformátovaná armatura pro zavěšení do výztuh po obvodu septiku
- armatura do svislých vzpěr septiku
- kari síť pro armované víko
Cena:
- 2 500,- + DPH = pro komplet do velikosti pro 6-8 EO včetně
- 4 500,- + DPH = pro komplet od velikosti pro 9-12 EO
Cena: 818,- Kč + DPH = 990,- Kč
- pomůcka pro zabudování nádrže svépomocí
- zajistí minimální spotřebu betonu pro obetonování
- půjčujeme proti vratné kauci 5 000,- Kč
- odstraňuje zápach ze septiku nebo žumpy
- rozloží usazeniny a kaly, mění tuhý organický odpad ve vodu
- balení 500 g
Cena: 270,- Kč / 500 g
Projektová dokumentace k ČOV/septiku:
CENA: 8 000,- Kč
- orientační cena, konečnou cenu lze stanovit dle složitosti záměru s ohledem na případnou nutnost návštěvy projektanta na staveništi apod
Vyřízení povolení stavby/ohlášení:
CENA: 6 000,- Kč
V případě zájmu o projekční služby předáme Váš kontakt projekční kanceláři, která s Vámi probere další postup.
- osazení venkovní strany dna septiku armaturou již ve výrobě
- zesílení bočních stěn septiku
CENA: 4 500,- Kč / kpl

















